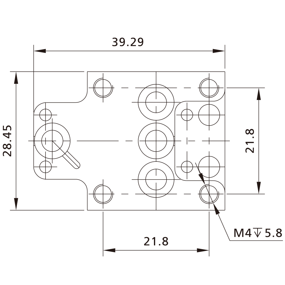
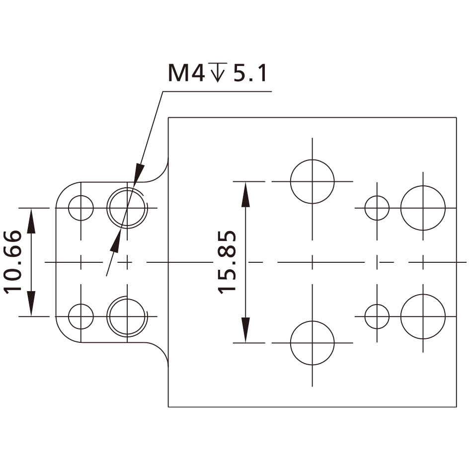
两孔公母连接块

在超纯气体输送领域,迈格诺科凭借卓越的品质与精湛的工艺,打造出专业的 UHP 超纯气体输送系统零部件 OEM 加工平台。

我们拥有包括精密加工、精密检测、磨粒流抛光、化学清洗、电解抛光、无尘室超纯清洗组装测试及包装全制程工序。

可加工IGS Block标准及非标模块、隔膜阀阀体、MFC基座、过滤器壳体等产品,充分满足不同客户的个性化需求。

此类产品采用金属对金属密封,密封区域硬度>300HV。

EP级流道内部光洁度<Ra0.13 μm,满足超高纯度气体系统要求,符合SEMI 相关标准。

  • 尺寸参数
  • 产品特性

在超纯气体输送领域,迈格诺科凭借卓越的品质与精湛的工艺,打造出专业的 UHP 超纯气体输送系统零部件 OEM 加工平台。

我们拥有包括精密加工、精密检测、磨粒流抛光、化学清洗、电解抛光、无尘室超纯清洗组装测试及包装全制程工序。

可加工IGS Block标准及非标模块、隔膜阀阀体、MFC基座、过滤器壳体等产品,充分满足不同客户的个性化需求。

此类产品采用金属对金属密封,密封区域硬度>300HV。

EP级流道内部光洁度<Ra0.13 μm,满足超高纯度气体系统要求,符合SEMI 相关标准。