首页
走进我们
非标加工能力
产品中心
真空腔体管阀系列
焊接波纹管系列
UHP超高纯系列
仪表工控管阀系列
卫生级管阀件系列
产品应用
太阳能光伏
生物制药
流程仪表
泛半导体产业
石油化工
科研院校
液晶面板
食品饮料
服务支持
产品规格
CAD&3D模型
应用咨询
特殊产品设计
快速交货
委托
研讨会和会议
专业培训
材料认证
质量和可跟踪性
供应链管理
资料下载
资讯中心
公司新闻
技术知识
展会信息
联系我们
苏州工厂地址
昆山工厂地址
CN
EN
首页
关于我们
企业简介
公司荣誉
发展历程
产品中心
真空腔体管阀系列
焊接波纹管系列
UHP超高纯系列
仪表工控管阀系列
卫生级管阀件系列
产业应用
服务支持
新闻中心
公司新闻
技术知识
展会信息
联系我们
CN
EN
首页
>
产品中心
>
卫生级管件
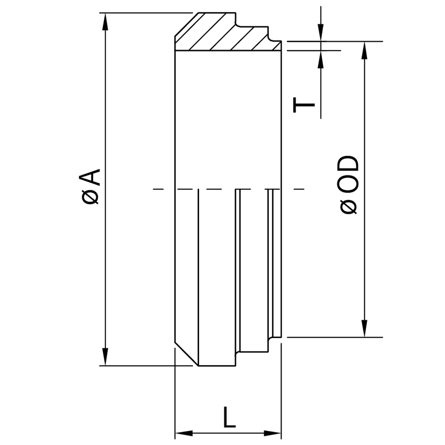
14A平接头
规格尺寸:
可提供 1/2 英寸至 10 英寸及更大尺寸的产品。
管件系列:
包含 45°/90°/180° 弯头、三通 / 四通、同心 / 偏心异径管。可确保生产线中各尺寸管道实现无缝连接。
连接方式:
兼容标准管道系统,支持焊接、卡箍、螺纹及法兰四种连接方式。
增值服务:
免费提供 2D/3D 模型。如需进一步协助,请联系我方销售代表。
尺寸参数
产品特性
卫生级 3A 系列管件
尺寸范围:1/2 英寸至 10 英寸
连接方式:焊接、卡箍、螺纹及法兰
材质:304 不锈钢、316L 不锈钢
表面处理:机械抛光、电解抛光