可提供生物制药、精密化工以及高端食品加工等产业应用的基于超纯材料制造的各类标准管道、管件以及非标定制件。产品执行ASME BPE、ISO、3A等标准。
14 WMP卡箍式接头
卡箍式接头
14 AWP-AWF 卡箍式接头
14 WZ 卡式平接头
14 RMP 胀形卡箍式平接头
14 MPW 卡箍式平接头
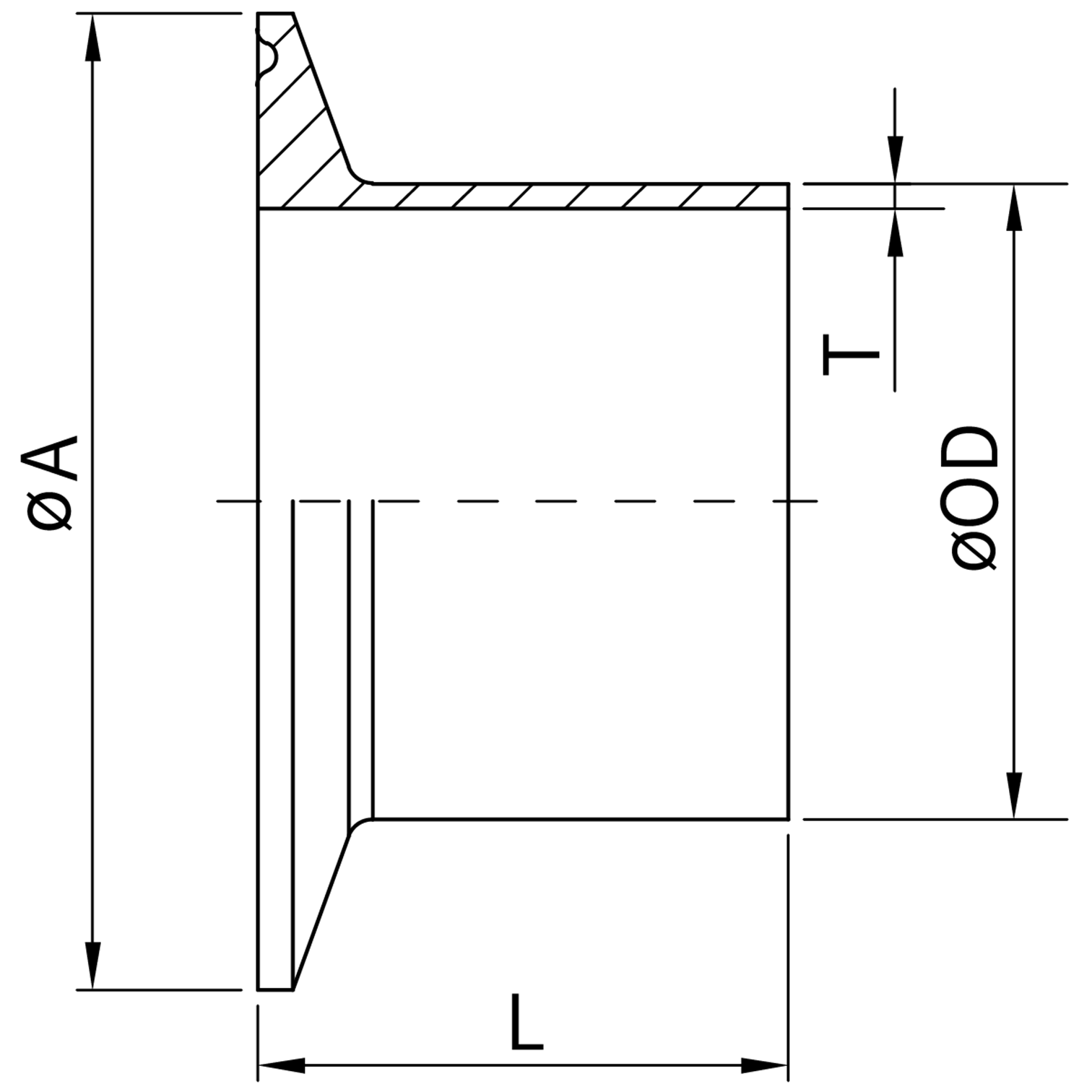
14 WLMP 卡箍式平接头
卡箍式特长平接头
3A由任组合
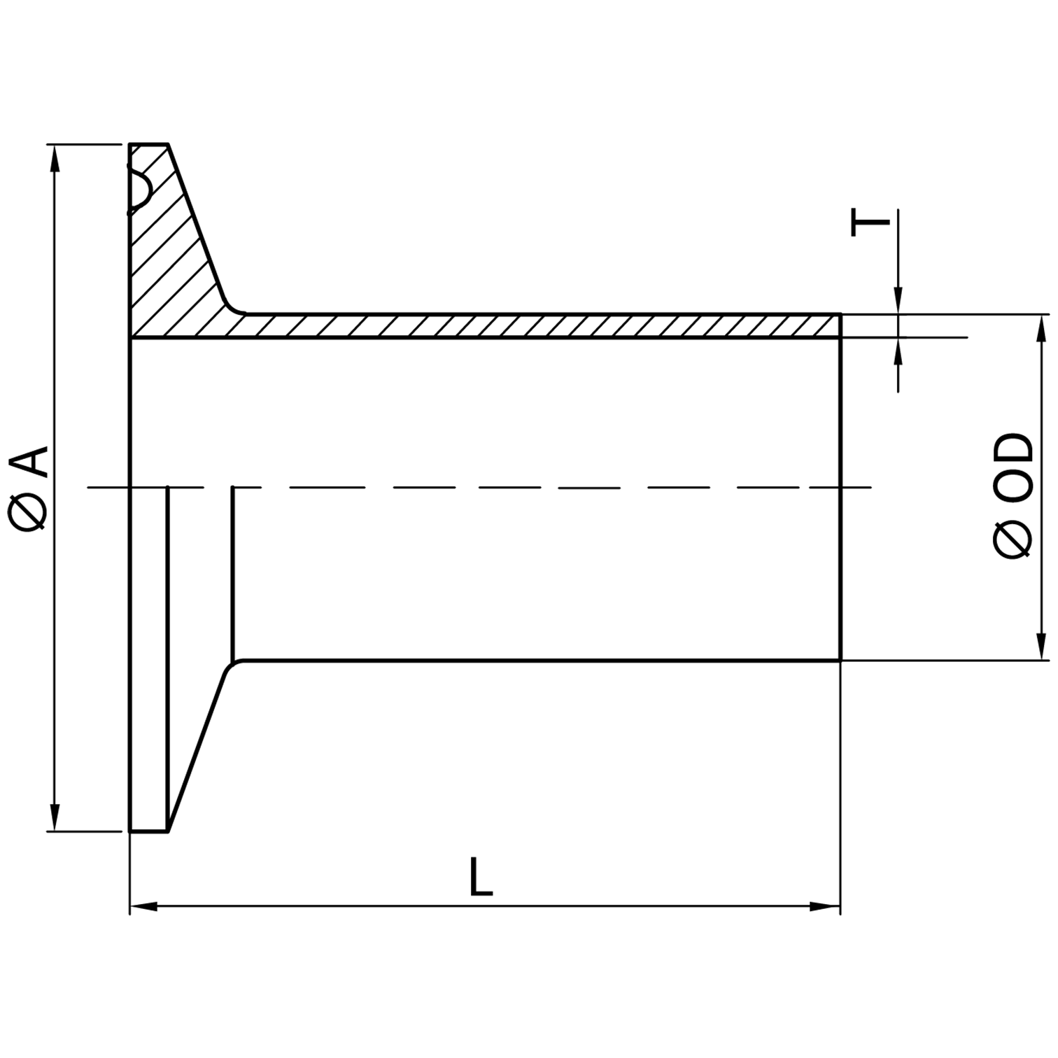
14 PR平接头
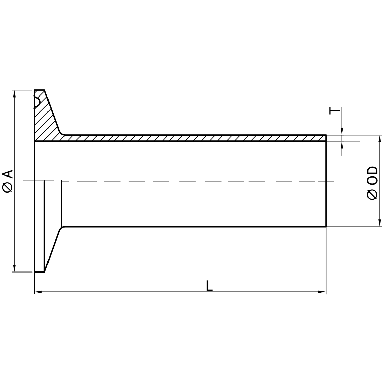
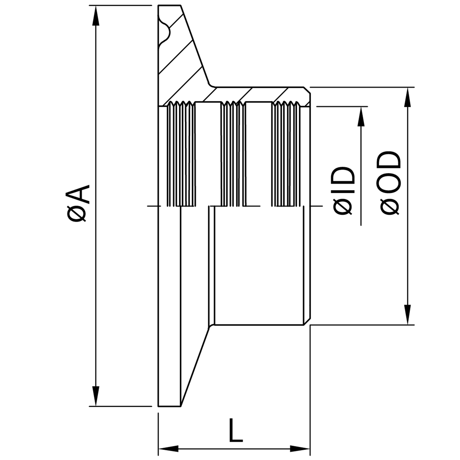
15 TR螺纹焊式接头
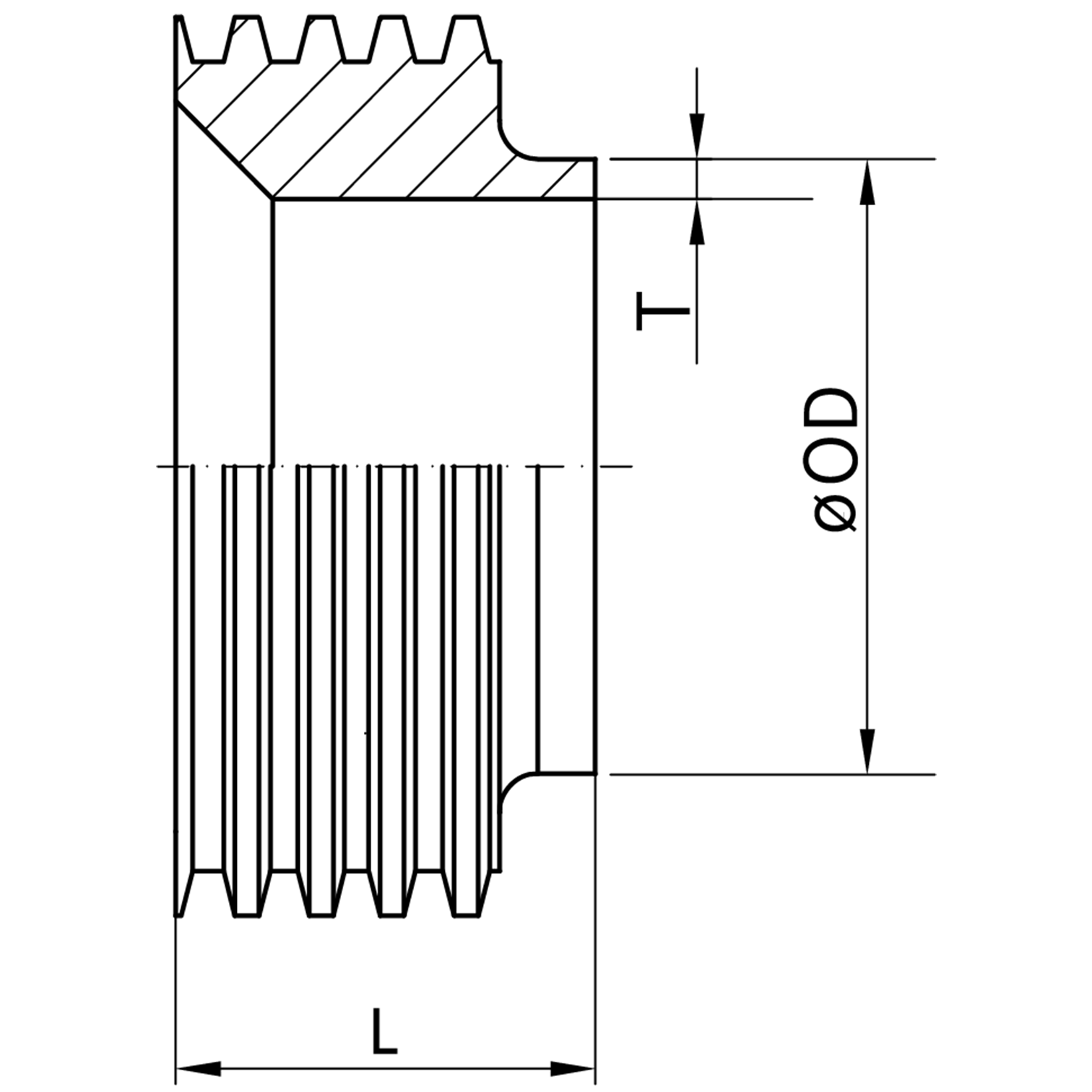
13H六角螺母
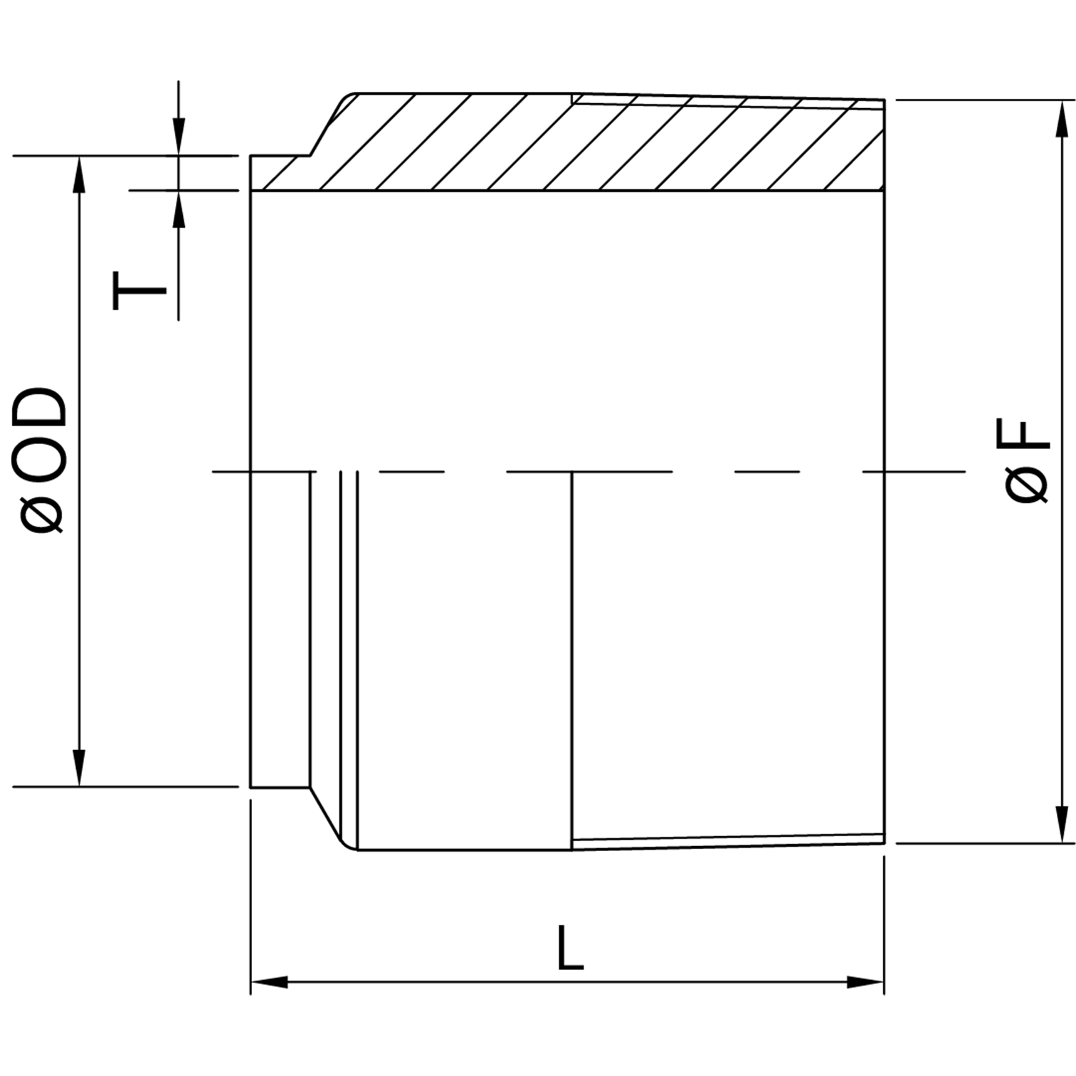
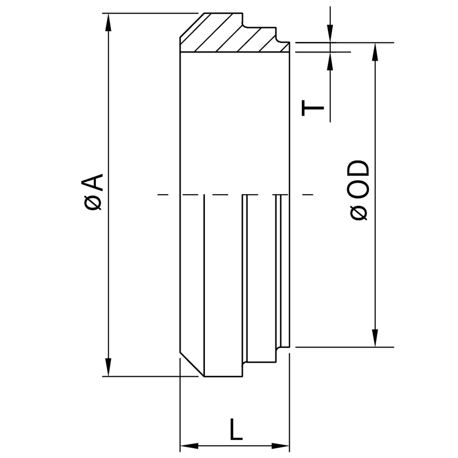
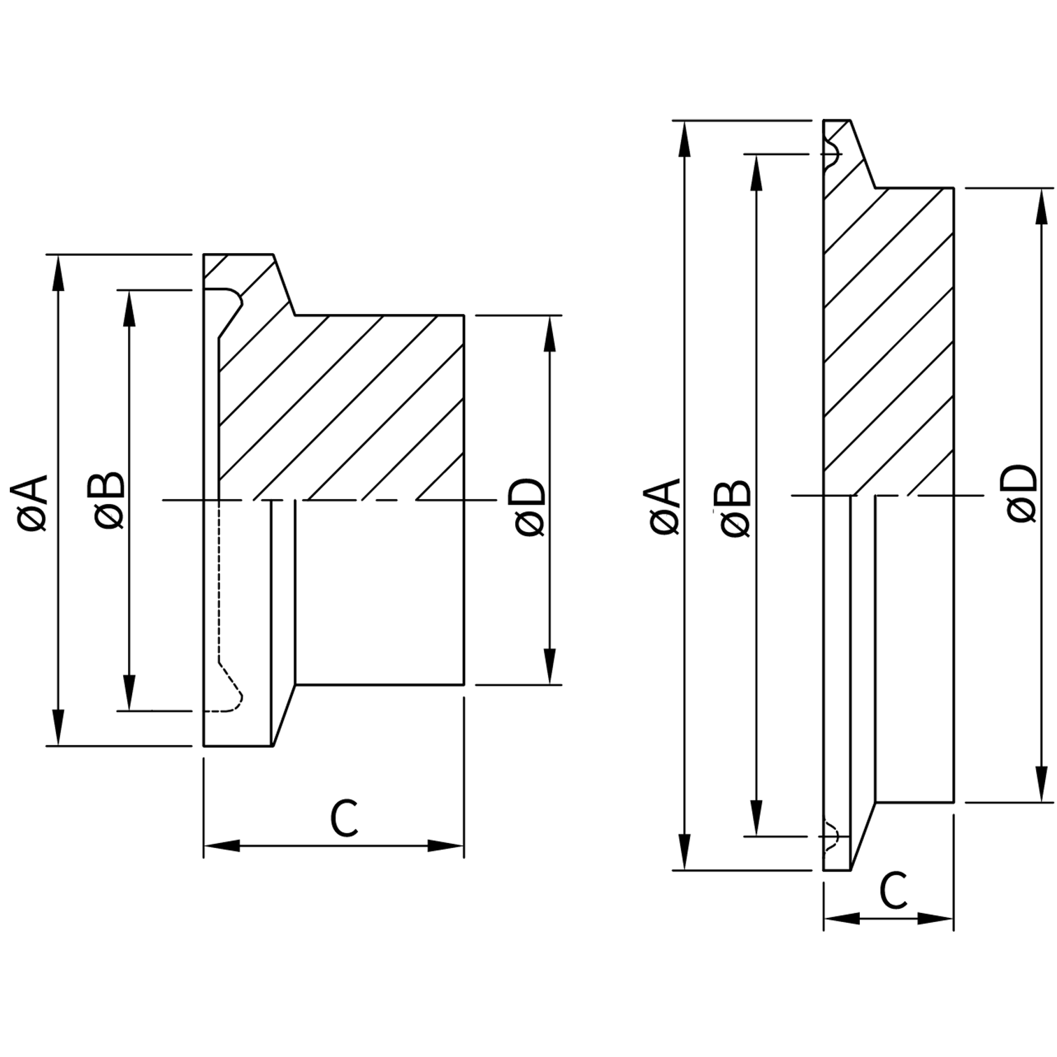
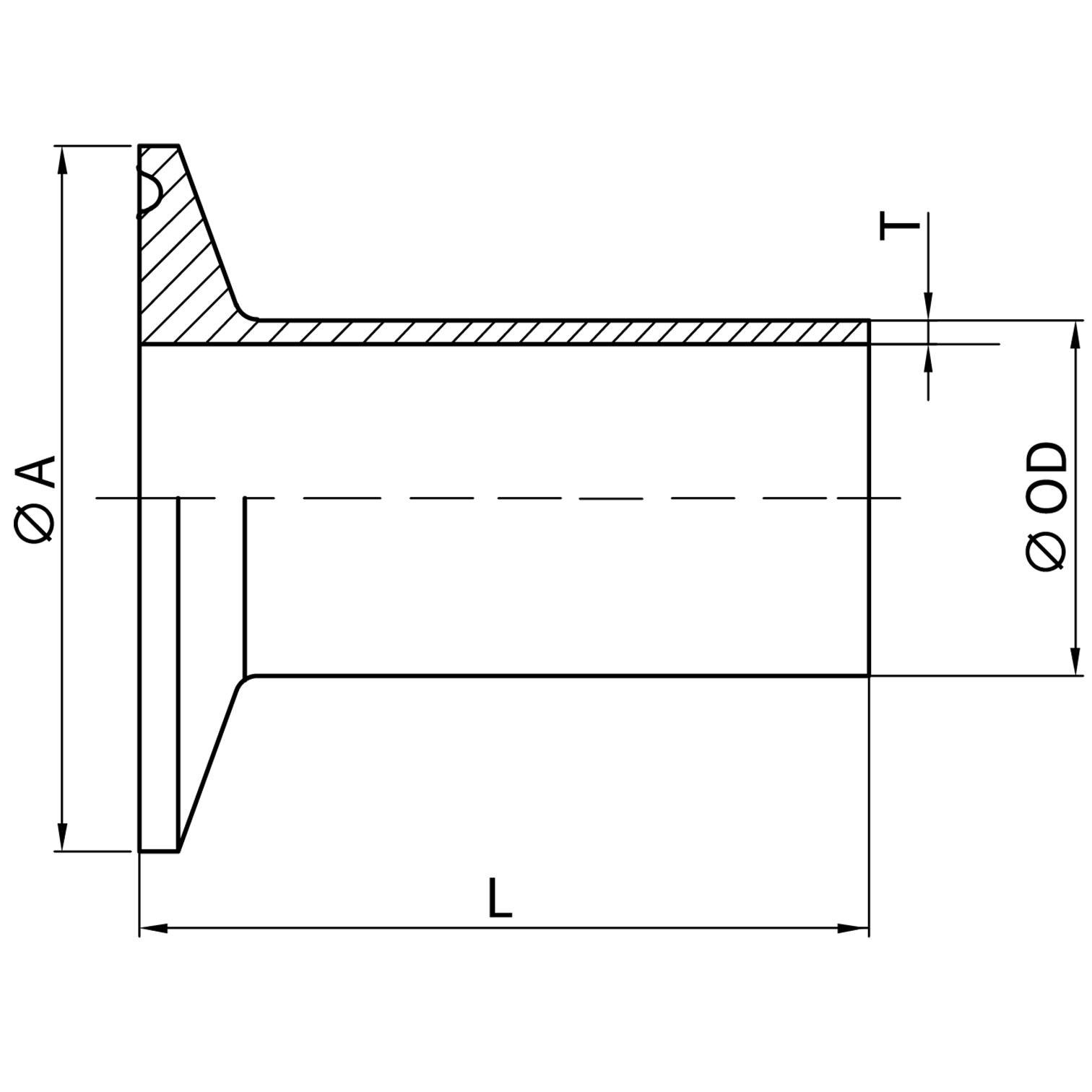
15A 平接头
接头
14A平接头
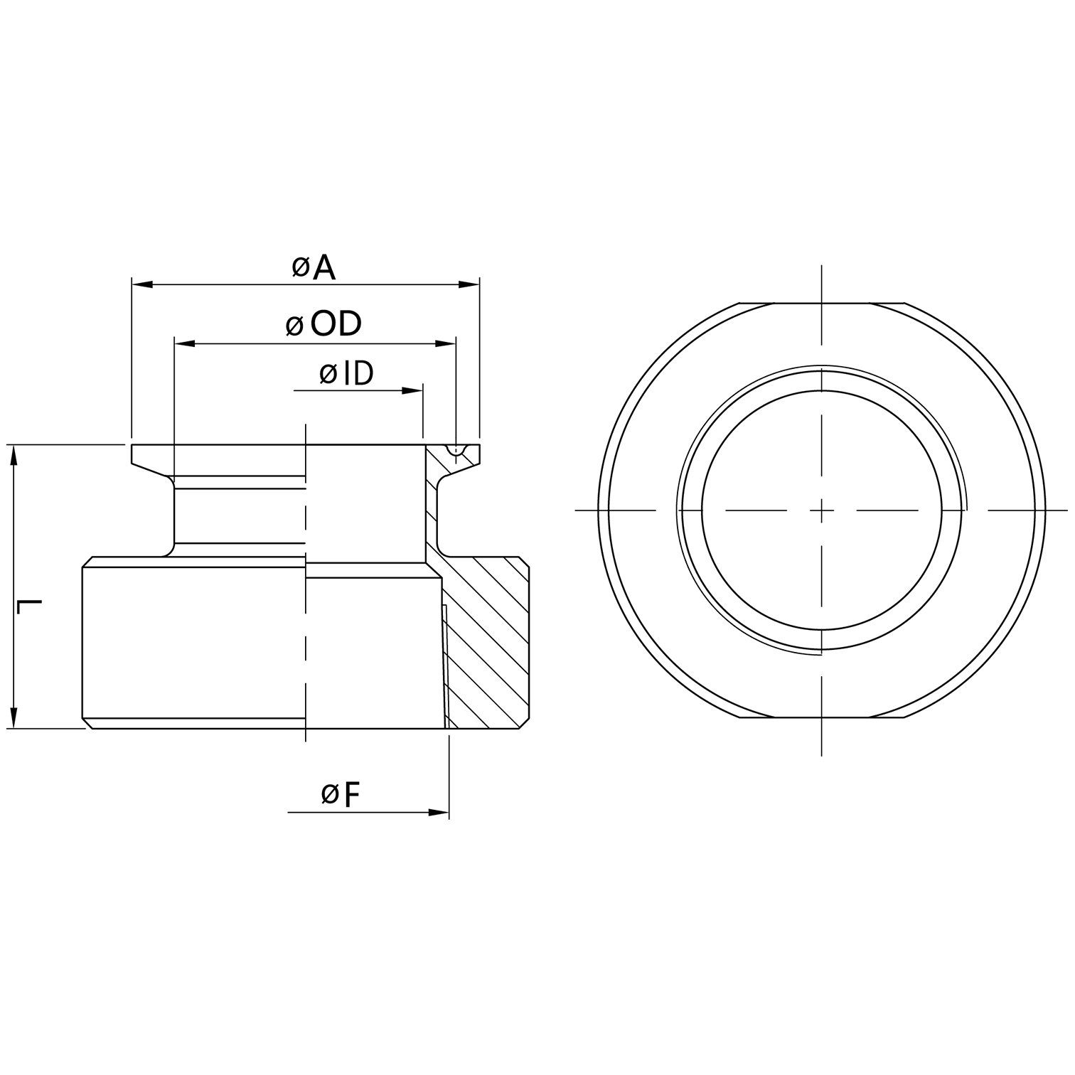
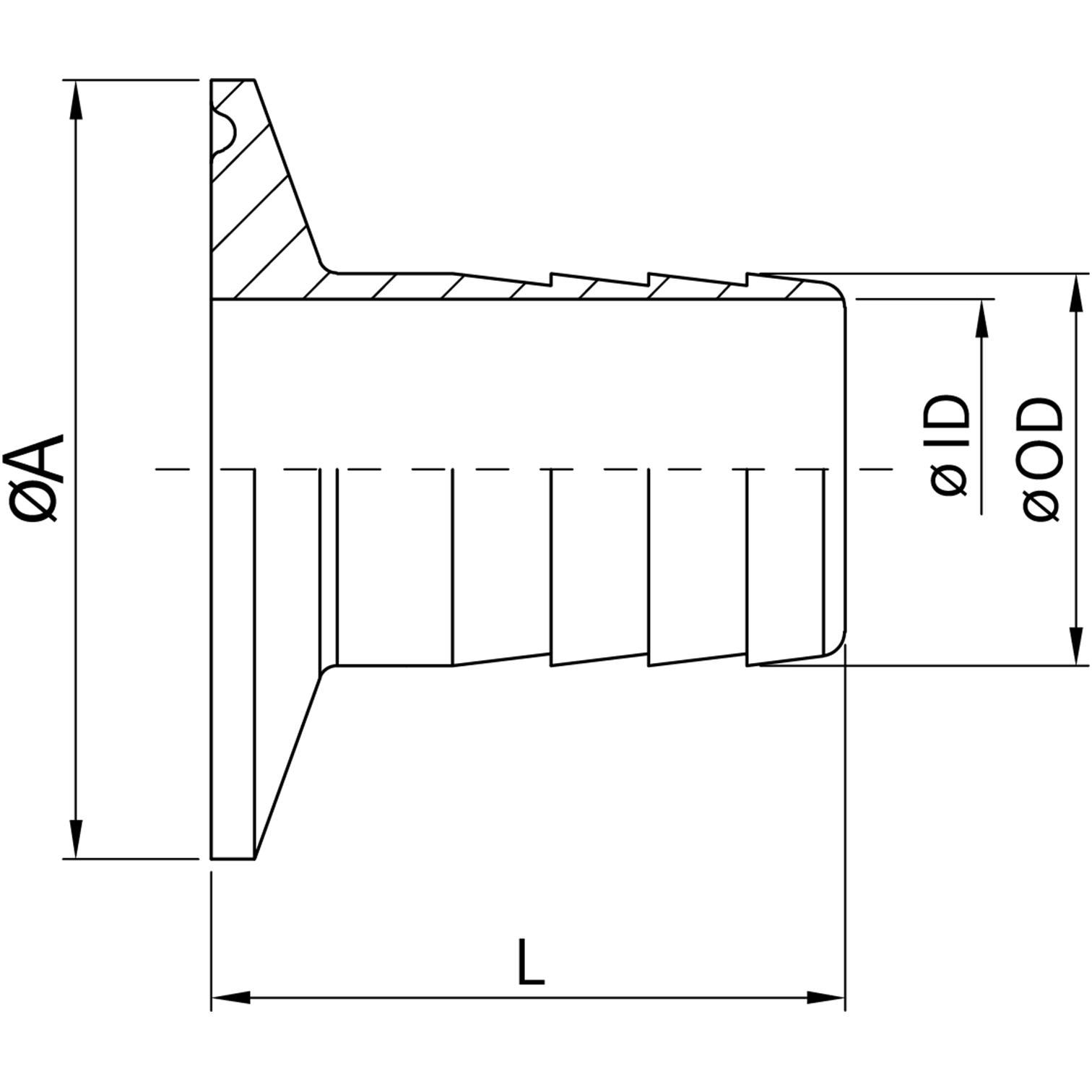
16盲盖
16W封头
22MP盲盖
21MPOUTSET接头
14MPHR 胶管接头
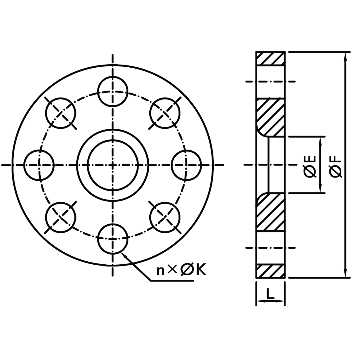
38SL Back-UP Flange
16AMP卡箍盲板
23 BMP感温闷板
卫生级不锈钢管